- 斜面安定性
- 荷重調整性能
- ナット定着
SEEE荷重計
- 特許7426673
SEEE荷重計は、SEEEアンカー工法用のせん断式荷重計です。
- 荷重調整性能に優れるナット定着方式のSEEE工法と組み合わせて使用することで、モニタリング中の荷重変化に対して残存引張力を適切に調整できます。
- これにより、長期にわたって斜面の安定性を維持することが可能です。

特長
- 専用設計のため、支圧板を介さず残存引張力の計測が可能
- 従来の荷重計と比較して薄型,軽量であり設置が容易
- 専用設計のため、センタリング調節が容易で偏心誤差が少ない
- 製品高さが低いため、余⾧に50㎜程度の余裕があれば既設アンカーにも設置可能
- 設置したままで、荷重計内部の計測用ゲージ取り換えによる補修が可能
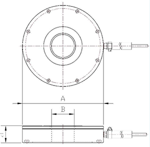
形状

寸法一覧

| タイプ | 許容荷重 (kN) | (mm) | 適用アンカータイプ | |||
|---|---|---|---|---|---|---|
| A | t | B | ||||
| Type‑1 | 222 | 155 | 33 | 38 | F20UA | F20TA |
| Type‑2 | 422 | 155 | 33 | 44 | F40UA F50UA | F40TA |
| Type‑3 | 668 | 155 | 36 | 50 | F60UA F70UA | F50TA |
| Type‑4 | 826 | 170 | 44 | 58 | F100UA | F60TA F70TA |
| Type‑5 | 1092 | 200 | 44 | 64 | F110UA F130UA | F100TA |
| Type‑6 | 1428 | 200 | 52 | 74 | F170UA | F110TA F130TA |
| Type‑7 | 1554 | 220 | 50 | 80 | F190UA | F170TA |
仕 様
| 定格出力 (R0) | 2.5 mV/V 以上 |
|---|---|
| 定格出力ひずみ | 5,000 × 10‑6 st 以上 |
| 直線性 | ±1.0 % R0 以内 |
| ヒステリシス | ±1.0 % R0 以内 |
| 許容過負荷 | 120 % |
| 許容温度範囲 | −20 ~ +70 ℃ |
| 許容耐水圧 | 0.2 MPa |
| 最大印加電圧 | 10 V |
| 入・出力抵抗 | 350 Ω ± 2 % |
| 絶縁抵抗 | DC 25 V にて 500 MΩ 以上 |
| ケーブル | 外径 約 7 mm(0.3 mm2・4 心・シングルシース) |
| ケーブル標準長 | 3 m |
カタログダウンロード













